









Alfa Electric Прекинувач потенциометар наизменичен сребро за LED 0–60W модул TEM ESM13ES
Бренд:Alfa Electric
Продавач:АЛФА ЕЛЕКТРОНИК
2.530ДЕН

Ананас. Е-трговец број 1 во Северна Македонија.
Најдобра вредност за парите 2025/2026 од СЕРТИФИКАТ .
Трговецот потврдува постоење на законска гаранција за сообразност на стоката.
| Опис | |
| Потенциометар (димер) ротацинен со наизменичен прекинувач за ЛЕД сијалици | |
| Технички карактеристики | |
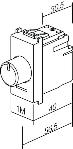
| Број на модули | 1 (еден) |
| Тип на потенциометар | ротационен со наизменичен прекинувач |
| Оптоварување | 0W - 60W (макс. 6 ЛЕД светилки за димер) |
| Напојување | 230V~ 50Hz |
| Боја на потенциометар | Сребрена мат |
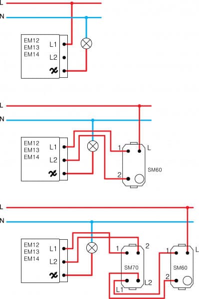
| Поврзување | можно поврзување со наизменичен прекинувач |
| Монтажа | дозволена е монтажа на повеќе димери заедно во една дозна само под услов, ако нивното вкупно максимално оптоварување не ја надминува максималнта моќ на еден прекинувач потенциометар |
| во исто коло дозволена е употреба само на еден прекинувач потенциометар | |
| Осигурач | не е вграден осигурач - мора да се поврзе со надворешен осигурувач |
| Индикација | вградена ЛЕД индикацја на степен на затемнување |
| Прицврстување на проводници | прицврстување со завртки |
| Макс. пресек на проводници | 1.5-2.5mm² |
| Серија | EM13ES |
